Withdrawn | Lot 16

80A High Street, Annan, Dumfries and Galloway DG12 6DW

Withdrawn

  • Residential Development
  • 5 Bedrooms
  • Tenure: See Legal Pack

Call the team on 01228 510 552 for more information

Auction Date

Thu 05/09/2024

Auction Time

12:00

Auction Venue

The Halston Hotel, 20-34 Warwick Road • CA1 1AB

Viewing Times:

Tue 3 Sep

15:00-18:30

Town centre development property

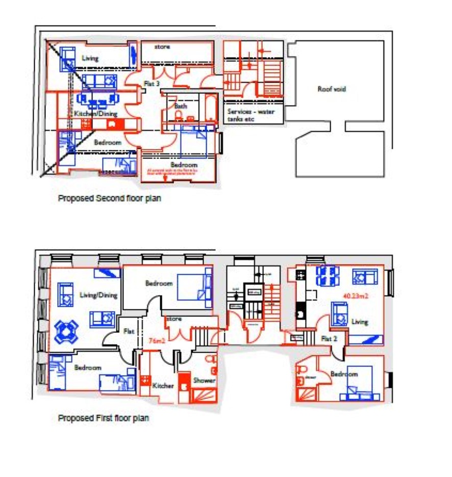
GUIDE PRICE £45,000-£55,000 + VAT A town centre development property with planning consent for change of use from current first floor office suite to provide three self contained flats on the first and second floors of this commercial property. Dumfries and Galloway Council granted planning (ref 22/2454/FUL) in March 2023 for a two bedroomed flat and a one bedroomed flat on the first floor and a two bedroomed flat on the second floor. See proposed layout floorplans. Full details are available on the Dumfries and Galloway website.

Tenure

See Legal Pack

What3words location ///users.elders.argue

First Floor

Planning for a two bedroomed flat at the front and a one bedroomed flat at the rear

Second Floor

Planning for a two bedroomed flat

VAT

Please note - VAT is applicable on the purchase price

Services

Interested parties are invited to make their own enquiries to the relevant authorities as to the availability of the services.

Solicitors

Hann & Co, Ref: Gordon Stevenson, Tel: 01461 203836

Important Notice to Prospective Buyers:

We draw your attention to the Special Conditions of Sale within the Legal Pack, referring to other charges in addition to the purchase price which may become payable. Such costs may include Search Fees, reimbursement of Sellers costs and Legal Fees, and Transfer Fees amongst others.

Additional Fees

Administration Charge - £1200 inc VAT payable on exchange of contracts.

Disbursements - Please see the legal pack for any disbursements listed that may become payable by the purchaser on completion.

View Larger Map

Disclaimer: The map preview provided above is for general guidance only and may not accurately reflect the exact location or surrounding buildings. Prospective buyers and interested parties are strongly advised to independently verify the precise location and surroundings before bidding.